
H41H/W升降式止回閥選用于公稱壓力PN1.6~6.4MPa,工作溫度-29~550℃的石油、化工、火力電站等各種工況的管路上。適用介質為:水、油品、蒸汽等。
結構與特點
1、選材考究,符合國內、外相關標準,材料的全面質量高。
2、密封副配對先進合理,閥瓣、閥座密封面采用鐵基合金或司太立(Stellite)鈷基硬質合金堆焊面成,耐磨、耐高溫、耐腐蝕、抗擦傷性能好,使用壽命長。
3、產品按國家標準GB/T12235設計制造。
4、可采用各種配管法蘭標準及法蘭密封型式,滿足各種工程需要及用戶要求。
5、閥體材料品種齊全,墊片可根據實際工況或用戶要求合理選配,能適用于各種壓力、溫度及介質工況。
可按用戶要求設計制造不同結構形式和連接形式的止回閥,為各種設備配套使用
應用規范
設計與制造 | GB/T12235 | |
連接端尺寸 | 結構長度 | GB/T12221 |
法蘭尺寸 | JB/T79 | |
檢驗與試驗 | JB/T9092 | |
材料 | 碳鋼 | GB/T12229 |
不銹鋼 | GB/T12230 | |
合金鋼 | Q/ZB66 | |
標志 | GB/T12220 | |
供貨 | JB/T7928 | |
主要零件材料
閥體 | 閥蓋 | 閥瓣 | 閥座 | 適用介質 | 適用溫度 |
WCB | WCB+D507Mo | WCB+D577 | 水、油品、蒸汽 | 425 | |
ZG1Cr18Ni9Ti | 0Cr18Ni9+ | 0Cr18Ni9+ | 銷酸類 | 200 | |
ZG1Cr18Ni2Mo2Ti | CF8M+Stellite12 | ZG1Cr18Ni2Mo2Ti | 磷酸、醋酸類、混酸 | 200 | |
ZG00Cr17Ni14Mo2 | CF3M+Stellite12 | CF3M+Stellite6 | 尿素、甲銨液、磷酸 | 200 | |
ZG1Cr5Mo | ZG1Cr5Mo+ | ZG1Cr5Mo+ | 水、油品、蒸汽 | 550 | |

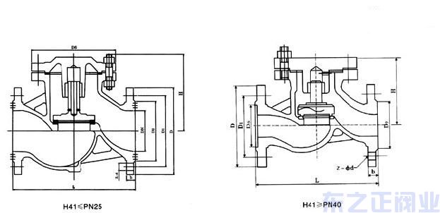
主要外形尺寸
型號 | 公稱壓力PN (MPa) | 公稱通徑DN(mm) | 尺 寸(mm) | 重量 (Kg) | ||||||
L | D | D1 | D2 | b | H | Z-d | ||||
H41H-16C H41W-16P H41W-16R | 1.6 | 25 | 160 | 115 | 85 | 65 | 16 | 71 | 4-14 | 3.3 |
32 | 180 | 135 | 100 | 78 | 18 | 84 | 4-18 | 5.O | ||
40 | 200 | 145 | 110 | 85 | 18 | 96 | 4-18 | 6.3 | ||
50 | 230 | 160 | 125 | 100 | 20 | 115 | 4-18 | 8.9 | ||
65 | 290 | 180 | 145 | 120 | 20 | 145 | 4-18 | 13.2 | ||
80 | 340 | 195 | 160 | 135 | 22 | 156 | 8-18 | 24 | ||
100 | 350 | 21 5 | 180 | 155 | 24 | 170 | 8-18 | 48 | ||
125 | 400 | 245 | 210 | 185 | 26 | 201 | 8-18 | 60 | ||
150 | 480 | 280 | 240 | 210 | 26 | 238 | 8-23 | 95 | ||
型號 | 公稱壓力PN(MPa) | 公稱通徑DN(mm) | 尺 寸(mm) | 重量 | |||||||
L | D | D1 | D2 | D3 | b | H | Z-d | (Kg) | |||
H41H-25C H41W-25P H41W-25R | 2 5 | 20 | 150 | 105 | 75 | 55 | 105 | 16 | 105 | 4-14 | 5.5 |
25 | 160 | 115 | 85 | 65 | 115 | 16 | 115 | 4-14 | 6 | ||
32 | 180 | 135 | 100 | 78 | 130 | 18 | 130 | 4-18 | 9.1 | ||
40 | 200 | 145 | 110 | 85 | 145 | 18 | 135 | 4-18 | 11 | ||
50 | 230 | 160 | 125 | 100 | 155 | 20 | 150 | 4-18 | 15.2 | ||
65 | 290 | 180 | 145 | 120 | 180 | 22 | 160 | 8-18 | 22 | ||
80 | 310 | 195 | 160 | 135 | 1 95 | 22 | 170 | 8-18 | 30 | ||
100 | 350 | 230 | 190 | 160 | 230 | 24 | 195 | 8-23 | 44 | ||
125 | 400 | 270 | 220 | 188 | 270 | 28 | 255 | 8-25 | 65 | ||
150 | 480 | 300 | 250 | 218 | 300 | 30 | 255 | 8-25 | 99 | ||


