
HH44X微阻緩閉止回閥用于給排水管道,安裝在是水泵出口處用來防止介質逆流和消除破環性水錘,并能有效地減少閥門關閉水錘壓力,可保障官網安全運行,它具有閥瓣輕、開度大、節電效果顯著,流體阻力小,水錘消除機構設計新穎,密封性能穩定可靠、耐磨損、使用壽命長、運行平穩、無振動、無噪聲等特點。
主要零件材料
零件名稱 | 材質 |
閥體 | 鑄鐵、鑄鋼、不銹鋼 |
閥蓋 | 鑄鐵、鑄鋼、不銹鋼 |
閥瓣 | 碳鋼、不銹鋼+丁腈橡膠 |
閥桿、活塞 | 不銹鋼 |

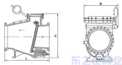
主要外形尺寸
公稱壓力 (MPa) | 公稱通徑 DN(mm) | 尺寸(mm) | ||
L | H | B | ||
1.0 1.6 2.5 | 40 | 200 | 300 | 220 |
50 | 230 | 300 | 270 | |
65 | 290 | 320 | 290 | |
80 | 310 | 354 | 300 | |
100 | 350 | 350 | 320 | |
125 | 400 | 380 | 340 | |
150 | 480 | 500 | 410 | |
200 | 500 | 580 | 450 | |
250 | 600 | 670 | 550 | |
300 | 700 | 730 | 580 | |
350 | 800 | 820 | 630 | |
400 | 900 | 920 | 700 | |
450 | 1000 | 950 | 800 | |
500 | 1100 | 1100 | 900 | |
600 | 1300 | 1200 | 990 | |
700 | 1400 | 1550 | 1120 | |
800 | 1500 | 1700 | 1300 | |
900 | 1700 | 1800 | 1350 |


