
不銹鋼閘閥:閥體、閥蓋、閘板、閘桿使用不銹鋼材料,閥座密封面為聚四氟乙烯、不銹鋼+硬質合金或堆焊硬質合金,填料一般采用硬質合金、聚四氟乙烯、石棉石墨或柔性石墨。公稱尺寸 DN15~DN800,工作壓力 1.6MPa~20.0MPa,適用溫度 ≤200℃,適用于硝酸類、弱腐蝕性介質管路中。
產品特點
1.采用奧氏體不銹鋼,對氧化性酸介質擁有良好的耐蝕性。
2.介質流經不銹鋼閘閥時不改變其流動方向,流體阻力小。
3.閘板運動方向與介質流動方向相垂直,啟閉力矩小,開閉較省力。
4.介質流動方向不受限制,不擾流、不降低壓力,介質可從閘閥兩側任意方向流過、均能達到使用的目的,最適用于介質流動方向可能改變的管路中。
5.閘板垂直置于閥體內,結構長度較短。
6.密封性能好。全開時密封面受沖蝕較小。
|
|
不銹鋼閘閥(法蘭) | 不銹鋼閘閥(內螺紋、絲口) |
不銹鋼法蘭閘閥 產品說明
Z41H、Z41Y、Z41W 不銹鋼法蘭閘閥:手動、法蘭連接形式、明桿楔式剛性單閘板,閥座密封面材料為不銹鋼,公稱壓力 PN16~PN200,閥體材料為不銹鋼的閘閥。
Z41W、Z41Y、Z41H 不銹鋼閘閥結構緊湊、設計合理、閥門剛性好、通道流暢、流阻系數小,密封面采用不銹鋼和硬質合金,使用壽命長,采用柔性石墨填料、密封可靠、操作輕便靈活。應用于工作壓力 1.6MPa~20.0MPa,工作溫度 -29℃~200℃的石油、化工、水力、火力電站各種系統的管路上,適用介質為硝酸類、醋酸類、水、油、氣類及某些腐蝕性液體。
不銹鋼法蘭閘閥 產品特點
① 符合國內外先進標準的要求,密封可靠、性能優良、造型美觀。 ② 密封副配對先進合理,閘板和閥座的密封面采用不同硬度的硬質合金堆焊而成,密封可靠、硬度高、耐磨、耐高溫、耐腐蝕、抗擦傷性能好、壽命長。 ③ 閥桿經調質及表面氮化處理,有良好的抗腐蝕性、抗擦傷性和耐磨性。 ④ 可采用各種配管法蘭標準及法蘭密封面形式,滿足各種工程需要及用戶要求。
不銹鋼法蘭閘閥 主要性能參數
型號 | PN | 工作壓力 / MPa | 適用溫度 / ℃ | 適用介質 |
Z41W-16P~25P | 16~25 | 1.6~2.5 | ≤ 150 | 弱腐蝕性介質 |
Z41Y-16P~25P | ||||
Z41W-16R~25R | ||||
Z41Y-16R~25R | ||||
Z41W-40P~63P | 40~63 | 4.0~6.3 | ≤ 150 | 弱腐蝕性介質 |
Z41Y-40P~63P | ||||
Z41W-40R~63R | ||||
Z41Y-40R~63R | ||||
Z41Y-100P~160P | 100~160 | 10.0~16.0 | ≤ 150 | 弱腐蝕性介質 |
Z41Y-100R~160R | ||||
Z41H-40P~200P | 40~200 | 4.0~20.0 | ≤ 200 | 硝酸類 |
Z41H-40R~200R |
不銹鋼法蘭閘閥 主要零件材料
型號 | 材料 | |||
閥體、閥蓋、閘板 | 閥桿 | 密封面 | 填料 | |
Z41W-16P~25P | 鉻鎳鈦不銹鋼 | 鉻鎳鈦不銹鋼 | 本體材料 | 石棉石墨或柔性石墨 |
Z41Y-16P~25P | 堆焊硬質合金 | |||
Z41W-16R~25R | 鉻鎳鉬鈦不銹鋼 | 鉻鎳鉬鈦不銹鋼 | 本體材料 | |
Z41Y-16R~25R | 堆焊硬質合金 | |||
Z41W-40P~63P | 鉻鎳鈦不銹鋼 | 鉻鎳鈦不銹鋼 | 本體材料 | 聚四氟乙烯 |
Z41Y-40P~63P | 堆焊硬質合金 | |||
Z41W-40R~63R | 鉻鎳鉬鈦不銹鋼 | 鉻鎳鉬鈦不銹鋼 | 本體材料 | |
Z41Y-40R~63R | 堆焊硬質合金 | |||
Z41Y-100P~160P | 鉻鎳鈦不銹鋼 | 鉻鎳鈦不銹鋼 | 堆焊硬質合金 | 聚四氟乙烯 |
Z41Y-100R~160R | 鉻鎳鉬鈦不銹鋼 | 鉻鎳鉬鈦不銹鋼 | ||
Z41H-40P~200P | 鉻鎳鈦不銹鋼 | 不銹鋼 | 不銹鋼或不銹鋼+硬質合金 | 柔性石墨 |
Z41H-40R~200R | 鉻鎳鉬鈦不銹鋼 | 不銹鋼 | 不銹鋼或不銹鋼+硬質合金 | 柔性石墨 |

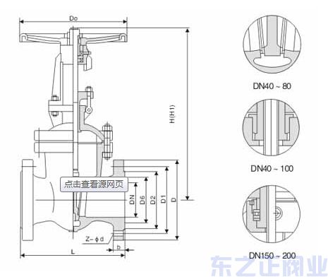
不銹鋼法蘭閘閥 主要外形尺寸
Z41H、Z41Y、Z41W(PN16)不銹鋼閘閥
DN | L | D | D1 | D2 | b | f | z×?d | H | D0 | 重量 / kg |
15 | 130 | 95 | 65 | 45 | 14 | 2 | 4×?14 | 175 | 200 | 4 |
20 | 150 | 105 | 75 | 55 | 14 | 2 | 4×?14 | 180 | 200 | 5 |
25 | 160 | 115 | 85 | 65 | 14 | 2 | 4×?14 | 210 | 200 | 6 |
32 | 180 | 135 | 100 | 78 | 16 | 2 | 4×?18 | 210 | 200 | 7 |
40 | 200 | 145 | 110 | 85 | 16 | 3 | 4×?18 | 350 | 200 | 19 |
50 | 250 | 160 | 125 | 100 | 16 | 3 | 4×?18 | 358 | 240 | 29 |
65 | 265 | 180 | 145 | 120 | 18 | 3 | 4×?18 | 375 | 240 | 33 |
80 | 280 | 195 | 160 | 135 | 20 | 3 | 8×?18 | 433 | 280 | 45 |
100 | 300 | 215 | 180 | 155 | 20 | 3 | 8×?18 | 502 | 320 | 63 |
125 | 325 | 245 | 210 | 185 | 22 | 3 | 8×?18 | 612 | 360 | 108 |
150 | 350 | 280 | 240 | 210 | 24 | 3 | 8×?23 | 676 | 360 | 134 |
200 | 400 | 335 | 295 | 265 | 26 | 3 | 12×?23 | 820 | 400 | 192 |
250 | 450 | 405 | 355 | 320 | 30 | 3 | 12×?25 | 969 | 450 | 273 |
300 | 500 | 460 | 410 | 375 | 30 | 4 | 12×?25 | 1142 | 560 | 379 |
350 | 550 | 520 | 470 | 435 | 34 | 4 | 16×?25 | 1280 | 640 | 590 |
400 | 600 | 580 | 525 | 485 | 36 | 4 | 16×?30 | 1452 | 640 | 850 |
450 | 650 | 640 | 585 | 545 | 40 | 4 | 20×?30 | 1541 | 720 | 907 |
500 | 700 | 705 | 650 | 608 | 44 | 4 | 20×?34 | 1676 | 720 | 958 |
600 | 800 | 840 | 770 | 718 | 48 | 5 | 20×?41 | 1874 | 800 | 1112 |
Z41H、Z41Y、Z41W(PN25)不銹鋼閘閥
DN | L | D | D1 | D2 | b | f | z×?d | H | D0 | 重量 / kg |
15 | 130 | 95 | 65 | 45 | 16 | 2 | 4×?14 | 175 | 200 | 4 |
20 | 150 | 105 | 75 | 55 | 16 | 2 | 4×?14 | 180 | 200 | 5 |
25 | 160 | 115 | 85 | 65 | 16 | 2 | 4×?14 | 210 | 220 | 6 |
32 | 180 | 135 | 100 | 78 | 18 | 2 | 4×?18 | 210 | 220 | 7 |
40 | 200 | 145 | 110 | 85 | 18 | 3 | 4×?18 | 350 | 220 | 18 |
50 | 250 | 160 | 125 | 100 | 20 | 3 | 4×?18 | 358 | 250 | 25 |
65 | 265 | 180 | 145 | 120 | 22 | 3 | 8×?18 | 373 | 280 | 35 |
80 | 280 | 195 | 160 | 135 | 22 | 3 | 8×?18 | 435 | 300 | 50 |
100 | 300 | 230 | 190 | 160 | 24 | 3 | 8×?23 | 500 | 350 | 65 |
125 | 325 | 270 | 220 | 188 | 28 | 3 | 8×?25 | 614 | 400 | 100 |
150 | 350 | 300 | 250 | 218 | 30 | 3 | 8×?25 | 674 | 450 | 135 |
200 | 400 | 360 | 310 | 278 | 34 | 3 | 12×?25 | 818 | 500 | 180 |
250 | 450 | 425 | 370 | 332 | 36 | 3 | 12×?30 | 969 | 550 | 207 |
300 | 500 | 485 | 430 | 390 | 40 | 4 | 16×?30 | 530 | 560 | 400 |
350 | 550 | 550 | 490 | 448 | 44 | 4 | 16×?34 | 1280 | 640 | 631 |
400 | 600 | 610 | 550 | 505 | 48 | 4 | 16×?34 | 1450 | 640 | 900 |
450 | 650 | 660 | 600 | 555 | 50 | 4 | 20×?34 | 1541 | 720 | 1013 |
500 | 700 | 730 | 660 | 610 | 52 | 4 | 20×?41 | 1676 | 720 | 1166 |
600 | 800 | 840 | 770 | 718 | 56 | 5 | 20×?41 | 1874 | 800 | 1258 |
700 | 900 | 955 | 875 | 815 | 60 | 5 | 24×?48 | 2280 | 850 | — |
800 | 1000 | 1070 | 990 | 930 | 64 | 5 | 24×?48 | 2420 | 900 | — |
Z41H、Z41Y、Z41W(PN40~63)不銹鋼閘閥
DN | L | D | H | W | 重量 / kg |
50 | 250 | 160 | 685 | 250 | 30 |
175 | 30 | ||||
65 | 280 | 180 | 705 | 250 | 41 |
200 | 300 | 42 | |||
80 | 310 | 195 | 780 | 250 | 48 |
210 | 350 | 51 | |||
100 | 350 | 230 | 805 | 300 | 78 |
250 | 400 | 80 | |||
125 | 400 | 270 | 890 | 350 | 112 |
295 | 400 | 125 | |||
150 | 450 | 300 | 945 | 350 | 152 |
340 | 1002 | 450 | 175 | ||
200 | 550 | 375 | 1100 | 400 | 200 |
405 | 1150 | 450 | 220 | ||
250 | 650 | 445 | 1350 | 450 | 300 |
470 | 500 | 320 | |||
300 | 750 | 510 | 1445 | 500 | 450 |
530 | 1528 | 650 | 490 | ||
350 | 850 | 570 | 1665 | — | 680 |
595 | 1792 | — | 700 | ||
400 | 950 | 655 | 1930 | — | 850 |
670 | 2180 | — | 920 |
Z41H、Z41Y、Z41W(PN100)不銹鋼閘閥
DN | L | D | H | W | 重量 / kg |
50 | 250 | 195 | 680 | 300 | 48 |
65 | 280 | 220 | 720 | 300 | 68 |
80 | 310 | 230 | 870 | 350 | 92 |
100 | 350 | 265 | 885 | 400 | 133 |
125 | 400 | 310 | 1020 | 450 | 216 |
150 | 450 | 350 | 1110 | 500 | 275 |
200 | 550 | 430 | 1225 | 500 | 360 |
250 | 650 | 500 | 1257 | 550 | 700 |
Z41H、Z41Y、Z41W(PN160)不銹鋼閘閥
DN | L | D | H | W | 重量 / kg |
65 | 340 | 245 | 820 | 350 | 110 |
80 | 390 | 260 | 850 | 350 | 145 |
100 | 450 | 300 | 980 | 400 | 192 |
125 | 525 | 355 | 1050 | 450 | 307 |
Z41H、Z41Y、Z41W(PN200)不銹鋼閘閥
DN | L | D | H | W | 重量 / kg |
50 | 350 | 210 | 712 | 350 | 108 |
65 | 410 | 260 | 765 | 400 | 195 |
80 | 470 | 290 | 835 | 450 | 250 |
100 | 550 | 360 | 950 | 500 | 350 |
125 | 650 | 385 | 1080 | 500 | 540 |
150 | 750 | 440 | 1140 | 600 | 738 |
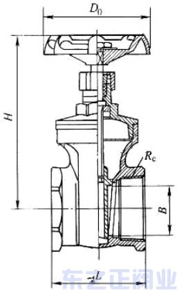
絲口內螺紋不銹鋼閘閥 產品說明
Z15W-16R、Z15W-16P 型不銹鋼閘閥(Z15W 絲口內螺紋不銹鋼閘閥):手動、內螺紋連接形式、暗桿楔式剛性單閘板,閥座密封面材料為不銹鋼,工作壓力 1.6MPa,閥體材料為不銹鋼的閘閥。適用溫度 -20~180℃,公稱通徑 DN15~DN50,適用介質為水、蒸汽、油品。廣泛應用于國防、科研、航天、電子、機械、冶金、石油,化工,能源、環保、生物醫藥、制冷、食品等各種領域。
Z15W-16R、Z15W-16P 型不銹鋼閘閥結構簡單,制造和維修比較方便;工作行程小,啟閉時間短;密封性好,密封面間磨擦力小,壽命較長;不適用于帶顆粒、粘度較大、易結焦的介質。
絲口內螺紋不銹鋼閘閥主要性能參數
型號 | PN | 工作壓力 (MPa) | 適用溫度 (℃) | 適用介質 |
Z15W-16R | 16 | 1.6 | -20~180 | 水、輕微腐蝕性氣液體、飽和蒸汽、直接飲水 |
Z15W-16P |
絲口內螺紋不銹鋼閘閥 主要零件材料
名稱 | 閥體、閥蓋、閘板 | 閥桿 | 密封面 | 填料 |
材料 | 不銹鋼 | 不銹鋼 | 不銹鋼 | 膨脹石墨 |

絲口內螺紋不銹鋼閘閥 主要外形尺寸
DN | Rc/in | L | B | H | D0 |
15 | Rc1/2 | 56.5 | 15 | 94 | 70 |
20 | Rc3/4 | 60 | 20 | 102 | 70 |
25 | Rc1 | 68 | 25 | 114 | 80 |
32 | Rc1? | 75.5 | 32 | 124 | 80 |
40 | Rc1? | 80 | 40 | 152.5 | 100 |
50 | Rc2 | 90.5 | 50 | 169.5 | 100 |


